物料型号:
- 型号:2SC4053
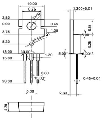
器件简介:
- 描述:该器件是一个硅NPN功率晶体管,具有TO-220C封装,特点是高电压、高速开关和高可靠性。
引脚分配:
- 引脚1:基极(Base)
- 引脚2:集电极,连接到安装底座(Collector;connected to mounting base)
- 引脚3:发射极(Emitter)
参数特性:
- 集-基电压(VCBO):600V,开路发射极
- 集-发电压(VCEO):450V,开路基极
- 发-基电压(VEBO):7V,开路集电极
- 集电极电流(Ic):5A
- 集电极峰值电流(ICM):10A
- 基极电流(Ib):2A
- 基极峰值电流(IBM):4A
- 集电极耗散功率(Pc):50W,Tc=25°C
- 结温(Tj):150℃
- 存储温度(Tstg):-55~150℃
功能详解:
- 维持电压(VCEO(SUS)):450V,Ic=0.1A; Ib=0
- 饱和电压(VcEsat):1.0V,Ic=2.5A; Ib=0.5A
- 基-发射饱和电压(VBEsat):1.5V,Ic=2.5A; Ib=0.5A
- 集电极截止电流(IcBO):0.1mA,额定电压下
- 发射极截止电流(ICEO):0.1mA,额定电压下
- 基极截止电流(IEBO):0.1mA,额定电压下
- 直流电流增益(hFE-1):10,Ic=2.5A; VcE=5V
- 直流电流增益(hFE-2):5,Ic=1mA; VcE=5V
- 过渡频率(fT):20MHz,Ic=0.5A; VcE=10V
- 导通时间(ton):0.5us,Ic=2.5A; Ib1=0.5A; Ib2=1A; RL=60Ω; VBB2=4V
- 存储时间(tstg):2.0us
- 关闭时间(toff):0.2us
应用信息:
- 该器件适用于高电压、高速开关的应用场合。
封装信息:
- 封装类型:TO-220C
- 封装图示链接: