AIP358SA8.TR

AIP358SA8.TR

  • 厂商:

    I-CORE(中微爱芯)

  • 封装:

    SOP-8

  • 描述:

    通用放大器 SOP-8 3~30V 2

  • 数据手册
  • 价格&库存
AIP358SA8.TR 数据手册
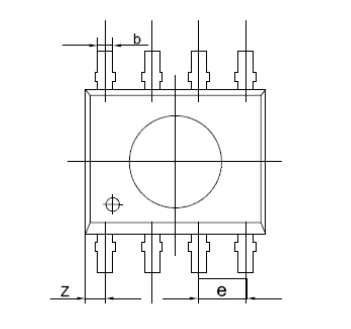
无锡中微爱芯电子有限公司 Wuxi I-CORE Electronics Co., Ltd. 版次:B3 编号:AiP258/AiP358-AX-QT-G019 表 835-11 or e AiP258/AiP358 双通道运算放大器 i-c 产品说明书 说明书发行履历: 版本 发行时间 新制/修订内容 2019-03-A1 2019-03 新制 2019-12-A2 2019-12 更新订购信息 2021-12-A3 2021-12 修改工作电压范围;修改订购信息 江苏省无锡市滨湖区建筑西路 777 号无锡国家集成电路设计中心 B4 楼 http://www.i-core. cn 邮编:214072 第 1 页 共 11 页 版本:2021-12-A3 无锡中微爱芯电子有限公司 Wuxi I-CORE Electronics Co., Ltd. 版次:B3 编号:AiP258/AiP358-AX-QT-G019 表 835-11 1、概 述 AiP258/AiP358是由两个独立的高增益运算放大器组成。可以是单电源工作,也可以是双电源工 作,电源的功耗电流与电源电压大小无关。应用范围包括音频放大器、工业控制、DC增益部件和所 有常规运算放大电路。 其主要特点如下: ● 宽工作电压范围 单电源:3V~30V 双电源:±1.5V~±15V ● 低电源电流,与电源电压无关:典型值0.7mA ● 低的输入偏置和失调参数 e ● 宽的单位增益带宽:0.7MHz 输入失调电压:典型值3mV 输入失调电流:典型值2nA 输入偏置电流:典型值20nA or ● 差分输入电压范围等于最大额定电源电压:30V ● 开环差分电压增益:典型值100dB ● 内置频率补偿 i-c ● 封装形式:SOP8/DIP8 江苏省无锡市滨湖区建筑西路 777 号无锡国家集成电路设计中心 B4 楼 http://www.i-core. cn 邮编:214072 第 2 页 共 11 页 版本:2021-12-A3 无锡中微爱芯电子有限公司 Wuxi I-CORE Electronics Co., Ltd. 版次:B3 编号:AiP258/AiP358-AX-QT-G019 表 835-11 订购信息: 管装: 产品料号 AiP258DA8.TB 封装形式 DIP8 AiP358DA8.TB 管装数 盒装管 盒装数 AiP258 50 PCS/管 40 管/盒 2000 PCS/盒 100 PCS/管 100 管/盒 10000 PCS/盒 AiP358 AiP258SA8.TB AiP358SA8.TB 打印标识 AiP258 SOP8 AiP358 备注说明 塑封体尺寸: 9.2mm×6.4mm 引脚间距:2.54mm 塑封体尺寸: 4.9mm×3.9mm 引脚间距:1.27mm 编带: AiP258SA8.TR AiP358SA8.TR 封装形式 SOP8 打印标识 编带盘装数 编带盒装数 备注说明 e 产品料号 AiP258 AiP358 4000PCS/盘 8000PCS/盒 塑封体尺寸: 4.9mm×3.9mm 引脚间距:1.27mm i-c or 注:如实物与订购信息不一致,请以实物为准。 江苏省无锡市滨湖区建筑西路 777 号无锡国家集成电路设计中心 B4 楼 http://www.i-core. cn 邮编:214072 第 3 页 共 11 页 版本:2021-12-A3 无锡中微爱芯电子有限公司 Wuxi I-CORE Electronics Co., Ltd. 版次:B3 编号:AiP258/AiP358-AX-QT-G019 表 835-11 2、功能框图及引脚说明 or e 2.1、功能框图 i-c 2.2、引脚排列图 2.3、引脚说明及结构原理图 引脚 1 2 3 4 5 6 7 8 符 号 1OUT 1IN1IN+ GND 2IN+ 2IN2OUT VCC 功 能 通道 1 输出 通道 1 负输入 通道 1 正输入 地 通道 2 正输入 通道 2 负输入 通道 2 输出 电源 江苏省无锡市滨湖区建筑西路 777 号无锡国家集成电路设计中心 B4 楼 http://www.i-core. cn 邮编:214072 第 4 页 共 11 页 版本:2021-12-A3 无锡中微爱芯电子有限公司 Wuxi I-CORE Electronics Co., Ltd. 版次:B3 编号:AiP258/AiP358-AX-QT-G019 表 835-11 3、电特性 3.1、极限参数 除非另有规定,Tamb=25℃ 参 数 名 称 符 号 条 件 电源电压 差分输入电压 输入电压 工作温度范围 工作结温 储存温度 VCC VID VI Tamb TJ Tstg — — — — — — 焊接温度 TL 单 位 AiP358 32 或±16 32 32 -40~125 V V V ℃ ℃ ℃ -40~85 150 -65~150 245 250 DIP8 SOP8 10 秒 ℃ 测试条件 最小 AiP258 AiP358 AiP258 AiP358 AiP258 AiP358 典型 最大 or 符 号 AiP258 e 3.2、推荐使用条件 参 数 名 称 额 定 值 电源电压 VCC — 共模电压范围 VCM — 工作温度范围 Tamb — 单 位 3 — 30 V 0 — VCC-2 V -40 -40 — — 125 85 ℃ 3.3、电气特性 i-c 3.3.1、电参数特性表 (除非另有规定,VCC=5V,Tamb=25℃) 参 数 名 称 符 号 条件及测试方法 输入失调电压 VIO VCC=5~30V, VIC=VICR(min),Vo=1.4V 输入失调电流 IIO Vo=1.4V 输入偏置电流 IIB Vo=1.4V Tamb 25℃ 全温 25℃ 全温 25℃ 全温 25℃ 共模输入电压 VICR VCC=5~30V 全温 输出高电平 VOH 输出低电平 VOL RL≥2kΩ RL≥2kΩ VCC=30 V RL≥10kΩ RL≤10kΩ 25℃ 全温 全温 全温 规格书参数 AiP258 最小 典型 — 3 — — — 2 — — — -20 — — 最大 5 7 30 100 -150 -300 AiP358 最小 典型 — 3 — — — 2 — — — -20 — — 单 位 最大 7 9 50 150 -250 -500 0~ VCC-1.5 — — 0~ VCC-1.5 — — 0~ VCC-2 3.5 26 27 — — — — — — — 28 5 — — — 20 0~ VCC-2 3.5 26 27 — — — 28 5 — — — 20 江苏省无锡市滨湖区建筑西路 777 号无锡国家集成电路设计中心 B4 楼 http://www.i-core. cn 邮编:214072 mV nA nA V 第 5 页 共 11 页 版本:2021-12-A3 V mV 无锡中微爱芯电子有限公司 Wuxi I-CORE Electronics Co., Ltd. 版次:B3 编号:AiP258/AiP358-AX-QT-G019 表 835-11 AVD 共模抑制比 CMRR 电源抑制比 串音衰减 kSVR VO1/VO2 输出短路电流 工作电流 摆率 单位增益带宽 等效输入噪声 IO IOS ICC VCC=5~30V, VIC=VICR(min) VCC=5~30V f=1kHz~20kHz VCC=15V, Source VID=1V, VO=0 VCC=15V, Sink VID=-1V, VO=15V VID=-1V,VO=200mV 25℃ 全温 50 25 100 — — — 25 15 100 — — — V/mV 25℃ 70 80 — 65 80 — dB 25℃ 25℃ 65 — 100 120 — — 65 — 100 120 — — dB dB 25℃ -20 -30 — -20 -30 — 全温 -10 — — -10 — — 25℃ 10 20 — 10 20 — 全温 5 — — 5 — — 25℃ 12 30 — 12 30 — uA VCC=5V,VO=0V, GND=-5V VO=2.5V,无负载 VCC=30V,VO=15V, 无负载 VCC=±15V,RL=1MΩ, CL=30pF,VI=±10V 25℃ — ±40 ±60 — ±40 ±60 mA 全温 — 0.7 1.2 — 0.7 1.2 全温 — 1 2 — 1 2 or 输出电流 VCC=15V, VO=1V~11V,RL≥2kΩ e 大信号差分 放大 SR B1 Vn mA mA 全温 — 0.3 — — 0.3 — V/us VCC=±15V,RL=1MΩ, 全温 CL=20pF VCC=±15V,Rs=100Ω, 全温 f=1kHz,VI=0V — 0.7 — — 0.7 — MHz — 40 — — 40 — i-c 4、典型特性曲线 图 1:输入电流随温度变化 图 2:工作电流随电源电压变化 江苏省无锡市滨湖区建筑西路 777 号无锡国家集成电路设计中心 B4 楼 http://www.i-core. cn 邮编:214072 第 6 页 共 11 页 版本:2021-12-A3 无锡中微爱芯电子有限公司 表 835-11 Wuxi I-CORE Electronics Co., Ltd. 版次:B3 编号:AiP258/AiP358-AX-QT-G019 图 4:共模抑制比随频率变化 or e 图 3:电压增益随电源电压变化 图 6:电压跟随器小信号响应(50pF) i-c 图 5:电压跟随器大信号响应(50pF) 图 7:最大输出摆幅与频率关系 江苏省无锡市滨湖区建筑西路 777 号无锡国家集成电路设计中心 B4 楼 http://www.i-core. cn 邮编:214072 图 8:输出拉电流 第 7 页 共 11 页 版本:2021-12-A3 无锡中微爱芯电子有限公司 表 835-11 Wuxi I-CORE Electronics Co., Ltd. 版次:B3 编号:AiP258/AiP358-AX-QT-G019 图 9:输出灌电流 e or 5、参数测试线路 图 10:输出拉电流限制 图 11:单位增益放大器 图 12:噪声测试线路 i-c 6、典型应用线路 6.1、应用线路 江苏省无锡市滨湖区建筑西路 777 号无锡国家集成电路设计中心 B4 楼 http://www.i-core. cn 邮编:214072 第 8 页 共 11 页 版本:2021-12-A3 无锡中微爱芯电子有限公司 表 835-11 Wuxi I-CORE Electronics Co., Ltd. 版次:B3 编号:AiP258/AiP358-AX-QT-G019 7、封装尺寸与外形图 i-c or e 7.1、DIP8 外形图与封装尺寸 江苏省无锡市滨湖区建筑西路 777 号无锡国家集成电路设计中心 B4 楼 http://www.i-core. cn 邮编:214072 第 9 页 共 11 页 版本:2021-12-A3 无锡中微爱芯电子有限公司 表 835-11 Wuxi I-CORE Electronics Co., Ltd. 版次:B3 编号:AiP258/AiP358-AX-QT-G019 i-c or e 7.2、SOP8 外形图与封装尺寸 江苏省无锡市滨湖区建筑西路 777 号无锡国家集成电路设计中心 B4 楼 http://www.i-core. cn 邮编:214072 第 10 页 共 11 页 版本:2021-12-A3 无锡中微爱芯电子有限公司 Wuxi I-CORE Electronics Co., Ltd. 版次:B3 编号:AiP258/AiP358-AX-QT-G019 表 835-11 8、声明及注意事项: 8.1、产品中有毒有害物质或元素的名称及含量 有毒有害物质或元素 部件 名称 铅 汞 (Pb) (Hg) 镉 (C d) 六阶铬 多溴联 多溴联 邻苯二 邻苯二甲 苯 苯醚 甲酸丁 (Cr 酸二丁酯 (PBBs (PBD 苄酯 (Ⅵ (DBP) ) Es) (BBP) ) ) 邻苯二甲 酸二(2乙基巳 基)酯 (DEHP) 邻苯二甲 酸二异丁 酯(DIBP) ○ ○ ○ ○ ○ ○ ○ ○ ○ ○ 塑封树 脂 ○ ○ ○ ○ ○ ○ ○ ○ ○ ○ 芯片 ○ ○ ○ ○ ○ ○ ○ ○ ○ ○ 内引线 ○ ○ ○ ○ ○ ○ ○ ○ ○ ○ 装片胶 ○ ○ ○ ○ ○ ○ ○ ○ ○ ○ ○:表示该有毒有害物质或元素的含量在 SJ/T11363-2006 标准的检出限以下。 ×:表示该有毒有害物质或元素的含量超出 SJ/T11363-2006 标准的限量要求。 or 说明 e 引线框 8.2、注意 在使用本产品之前建议仔细阅读本资料; 本资料中的信息如有变化,恕不另行通知; 本资料仅供参考,本公司不承担任何由此而引起的任何损失; i-c 本公司也不承担任何在使用过程中引起的侵犯第三方专利或其它权利的责任。 江苏省无锡市滨湖区建筑西路 777 号无锡国家集成电路设计中心 B4 楼 http://www.i-core. cn 邮编:214072 第 11 页 共 11 页 版本:2021-12-A3
AIP358SA8.TR 价格&库存

很抱歉,暂时无法提供与“AIP358SA8.TR”相匹配的价格&库存,您可以联系我们找货

免费人工找货
AIP358SA8.TR
    •  国内价格
    • 5+0.46200
    • 20+0.42000
    • 100+0.37800
    • 500+0.33600
    • 1000+0.31640
    • 2000+0.30240

    库存:0