X4621WR-2x38I-C28D40F75

X4621WR-2x38I-C28D40F75

  • 厂商:

    XKB(中国星坤)

  • 封装:

    弯插,P=2mm

  • 描述:

    排针 P=2.00mm 76Pin(2x38) 弯插

  • 详情介绍
  • 数据手册
  • 价格&库存
X4621WR-2x38I-C28D40F75 数据手册
X4621WR-2x38I-C28D40F75
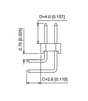
1. 物料型号:X4621WR-2xXXI-C28D40F75 2. 器件简介:文档描述了一种2.0mm BTB连接器,适用于工业精密领域。 3. 引脚分配:文档中提到了2xXX-2x01~2x40P的引脚分配,但具体的引脚分配图或表未在文档摘要中显示。 4. 参数特性: - 额定电压:250V AC/DC - 额定电流:2A AC/DC - 耐受电压:1000V AC/分钟 - 温度范围:-40℃-+105℃ - 绝缘电阻:≥1000MΩ - 接触电阻:≤20mΩ - 材质:PA6T UL94V-0 - 镀层:1U"Gold - 波峰焊温度:255±5℃,10S 5. 功能详解:文档中未提供详细的功能解释,但根据参数特性可以推断该连接器适用于高电流和高电压的应用。 6. 应用信息:适用于工业精密领域,具体应用场景未在文档摘要中详述。 7. 封装信息:文档提供了一些尺寸信息,如塑料高度2.0mm,引脚长度2.8mm和4.0mm,整体高度0.75mm。
X4621WR-2x38I-C28D40F75 价格&库存

很抱歉,暂时无法提供与“X4621WR-2x38I-C28D40F75”相匹配的价格&库存,您可以联系我们找货

免费人工找货
X4621WR-2x38I-C28D40F75
  •  国内价格
  • 1+5.59000
  • 10+5.16000
  • 30+5.07400
  • 100+4.81600

库存:300

X4621WR-2x38I-C28D40F75
  •  国内价格
  • 1+10.98130
  • 10+9.23070
  • 30+8.61520
  • 100+6.15380

库存:0